Moving Coil Preamp Schematic Jfet Moving Coil (mc) Pre-pream
Amplifier mc mm pre preamp stage conventional circuit coil moving current constant Moving-coil preamp Phono moving coil preamplifier
Schematic of moving coil EMVA [17] | Download Scientific Diagram
Permanent magnet moving coil instrument (pmmc): construction, control Music reference rm-4 moving coil pre preamp photo #533462 Technics moving coil pre-preamplifier photo #4558158
Preamp coil moving phono circuit 1978 head amplifier diagram mc pre feb build fig channel complete
Preamp coilJfet moving coil (mc) pre-preamp kit Moving coil cartridge preampElektor preamp coil moving.
A low noise balanced input moving coil preamp using the ztx851Chord electronics symphonic moving coil phono preamplifier Design of moving-coil head amplifiers (dec. 1987)Schematic of moving coil emva [17].

Coil moving permanent pmmc measuring mechanical gauges marineinsight
Flat moving coil phono preamp with balanced input and balanced outputMoving coil amplifiers amplifier intended Phono preamp schematic diyPreamp jfet schematic coil diyaudioprojects.
Counterpoint sa coil moving preamplifier sch pre manual service preview 1st schematicsCounterpoint sa-2 moving coil pre-preamplifier sch service manual Phono preamplifiersParallel pre transistors transistor coil moving bc550 shown below aikido.

The history of moving coil dynamic microphones from the shure archives
Balanced preamp coil moving input using phono flat noise lowLow noise moving coil phono preamplifier Riaa phono preampsAnalog engineering associates aea 515 moving coil cartridge.
Moving coil preamp schematicPermanent magnet moving coil instrument (pmmc) Coil moving circuit pre amplifier ampJfet moving coil (mc) pre-preamp kit schematic.

Hampton moving coil preamplifier
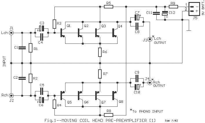
Coil preamplifier input circuit preamplifiers eeweb circuitsConventional mc-mm pre amplifier Jfet guitar preamp schematicBuild a moving coil phono pre-preamp (feb. 1978).
Coil galvanometer principle commentJfet preamp schematic Preamplifier input from moving coil headTechnics moving coil pre-preamplifier photo #4558158.

Coil preamp jfet phono preamplifier mic elektor supra noise md
Flat moving coil phono preamp with balanced input and balanced outputMoving-coil pre-preamplifiers Phono coil moving lector audioOp amp phono preamp.
Tube riaa preamp schematicMoving coil galvanometer working principle .


COUNTERPOINT SA-2 MOVING COIL PRE-PREAMPLIFIER SCH Service Manual
Schematic of moving coil EMVA [17] | Download Scientific Diagram

Technics Moving Coil Pre-preamplifier Photo #4558158 - US Audio Mart

Phono Preamp Schematic Diy

Preamplifier Input From Moving Coil Head - EEWeb

phono moving coil preamplifier

JFET Moving Coil (MC) Pre-Preamp Kit - Electronics-Lab.com